|
工程概要
本工程設置自動化監測系統以供長期觀測邊坡穩定狀態,提供未來防災之參考以及動態穩定性之即時監視﹔同時長期記錄之歷史資料亦可作為邊坡穩定分析之原始時間數列,提供分析預測之基本資料庫。
所有感應器之信號均於現場轉換為數位信號避免雜訊干擾或信號衰減發生,取樣之數位資料透過無線電傳訊系統直接送至現場電器室內之微型資料記錄器內作暫存。遠端可透過無線數據機傳送裝置傳送擷取記錄資料﹔以隨時掌握現場狀況。
監測管理流程圖

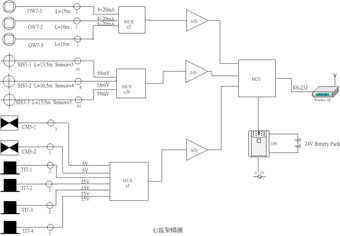
系統架構圖





儀器設備
一.固定式傾斜儀
二.電子式建物傾斜儀
三.電子式水壓計
四.電子式地滑計
五.電子式地錨荷重計
六.資料擷取系統
七.無線網路站設備
八.不斷電系統
九.主控伺服電腦
十.戶外觀測房
安裝內容與目的
一.固定式傾斜儀
固定式傾斜儀主要用於監測土岩層邊坡和擋土牆之側向變位量與滑動深度,其設備組成包括埋於地中或擋土牆中之傾度管與專業量測用之測傾儀。

二.電子式建物傾斜儀
電子式建物傾斜儀用於監測房屋或擋土牆之傾斜程度,其設備組成包括裝置於房屋柱位或擋土牆上之傾斜盤與專業量測用之測讀儀。

三.電子式水壓計
電子式水壓計主要用於坡地社區地下水位變化之監測,配合地層與按裝目的之不同,有水井式水位計與開口式水壓計兩種,其設備組成包括地層鑽孔,與專業量測用之測讀儀。

四.電子式地滑計
地表地滑計主要用於大區域地表邊坡滑動之監測,其設備組成包 括:銦鋼線、兩端點基座及專業量測讀計,必要時可連接警報器(系統)。

五.電子式地錨荷重計
地錨荷重計用於監測擋土牆或邊坡上地錨之受力情形,其設備組成 包括裝置於錨頭之荷重環與專業量測用之測讀儀。

監測系統乃為追求安全而設,並非設立之後就必然安全。所以,設立監測系統之後,仍須日夜維護、持續觀測,並經專業判讀才能達到安全預警之最終目的。
|